Купить котел КВа 0.8 в Бийска

Автоматическое регулирование температурных режимов

Надежная гладкотрубная конструкция исключает деформации и разрывы швов

Встроенная система взрывобезопасности

Низкие требования к качеству питательной воды

Модель работает с отечественными горелками EMMA, ILKA, РГМГ, ГБЛ, ГМ, ГМГ, АПНД, ГГ и импортными горелками UNIGAS, BALTUR, ECOSTAR, FBR S.R.L.

Наш завод также производит модели котлов для работы на российских горелках БИГ, ГМГ, РМГ, ГГ, РГМГ.

Цена с НДС:
577 000 рублей
Цена с НДС на котел КВа 0.8 с доставкой в
от 577 000 рублей
Условия в
В наличии на складе
Доставка ТК по России и Казахстану
Безналичный расчет
Есть в наличии
Можно купить в лизинг
Котел КВа-0.8 МВт
Котел КВа 0.8 МВт
Котел КВа 0.8 МВт водогрейный
Водогрейный котел КВа 0.8 МВт
Котлы КВа 0.8 МВт отопительные
Отопительные котлы КВа 0.8 МВт
Котлы КВа 0.8 МВт промышленные
Промышленные котлы КВа 0.8 МВт
Изготовление котла КВа-0.8 МВт
Изготовление котла КВа 0.8 МВт
Производство котлов КВа-0.8 МВт
Производство котлов КВа 0.8 МВт
Котел КВа-0.8 МВт
Котел КВа 0.8 МВт водогрейный
Котлы КВа 0.8 МВт отопительные
Котлы КВа 0.8 МВт промышленные
Изготовление котла КВа-0.8 МВт
Производство котлов КВа-0.8 МВт
Видеообзор
Вид топки Газовая горелка
Максимальная тепловая мощность 0.8 МВт
Топливо Газ
Отапливаемая площадь от 6200 до 8900 м²
Технические
характеристики
Описание
товара
Комплект
поставки
Дополнительно
потребуется
Схема
подключения
Сертификаты
и гарантии
Подбор
котла

Технические характеристики котла КВа 0.8

Вид Водогрейный
Тип отопительного котла Газовый
Бренд HeatExpert
Тип Котел КВа
Вид топки Газовая горелка
Максимальная тепловая мощность 0.8 МВт
Максимальная тепловая мощность 800 кВт
Максимальная тепловая мощность 0.69 Гкал
Диапазон регулирования мощности 40-100 %
Топливо Газ
Низшая теплота сгорания проектного топлива 9400 кКал/нм³
КПД котла на ГАЗЕ, не менее 92 %
Расход ГАЗА среднечасовой за отопительный сезон 45 м³/ч
Расход ГАЗА при максимальной нагрузке котла 81 м³/ч
Расход условного топлива 109 кг/ч
Минимальная температура воды на входе в котел 55 °C
Максимальная температура воды на выходе из котла 115 °C
Давление рабочей среды 0.3-0.6 (3-6) МПа (кгс/cм²)
Номинальный расход теплоносителя 28 м³/ч
Расход теплоносителя через котел min-max 21-35 м³/ч
Гидравлическое сопротивление при номинальном расходе не более 0.07 (0.7) МПа (кгс/cм²)
Аэродинамическое сопротивление 500 (50) Па (мм. вод. ст.)
Давление в топочной камере 550 (55) Па (мм. вод. ст.)
Объем уходящих газов 1700 м³/ч
Температура уходящих газов, не более 148 °C
Тяга Принудительная
Водяной объем котла 630 л
Объем топочной камеры 1.54 м³
Размер топочной камеры: длина*ширина*высота 2450х700х900 мм
Присоединительные размеры по водяному тракту 80 Ду
Присоединительные размеры газохода уходящих газов, ширина*высота / сечение 500х250/0.13 мм/м²
Размеры корпуса котла, длина*ширина*высота, погрешность ±50 2690х910х1710 мм
Габаритные размеры котла, длина*ширина*высота 2920х1900х1810 мм
Масса 2200 кг
Конструкция котла водотрубная
Количество контуров Одноконтурный
Размещение Напольный
Тип камеры сгорания Закрытый
Управление Электронное
Принцип работы газового котла Конвекционный
Энергонезависимый Нет
Тип питания Трехфазное
Встроенный циркуляционный насос Нет
Встроенный расширительный бак Нет
Марка HeatExpert
Энергоэффективность Высокая
Отапливаемая площадь от 6200 до 8900 м²
Отапливаемый объем от 18500 до 26500 м³
Чертеж котла КВа 0.8 ГЛЖ
Котел КВа 0.8 ГЛЖ чертеж

Котел водогрейный КВа 0.8 МВТ в Бийска

Водогрейный котел КВа 0.8 МВт устанавливается в промышленных стационарных и блочно модульных котельных для отопления и горячего водоснабжения больших производственных помещений и маленьких зданий, складов, гаражей, цехов, ангаров, автосервисов, школ, садиков, клубов, магазинов, больниц, санаториев, теплиц, птицефабрик, СТО, площадью 6200 – 8900 м2.

Отечественный отопительный котел КВа 0.8 МВт использует в качестве топлива газ низкого и среднего давления, дизель, мазут, отработанное масло, работает в открытых и закрытых системах теплоснабжения с принудительной циркуляцией воды при рабочем давлении до 0,6 МПа и температурой нагрева до 95 - 115 °С.

Маркировка теплогенератора может быть в следующем формате:

водогрейный котел КВ-ГН 0.8 -95 | КВа Г 0.8 -95 | КВа-Г 0.8 -95 Н | КВа 0.8 -95 Г/ГН/ГС с температурой нагрева воды 95 °С;

водогрейный котел КВ-ГН 0.8 -115 | КВа Г 0.8 -115 | КВа-Г 0.8 -115 Н | КВа 0.8 -115 Г/ГН/ГС с температурой нагрева воды 115 °С.

Приобретая промышленный котел КВа 0.8 МВт, Вы получаете

Повышенную надежность конструкции - трубная система собирается из труб ввариваемых в коллектора, также охлаждаемые теплоносителем, а не в трубные доски. В таком теплогенераторе отсутствует давление перегретых труб на трубную доску и напряжение в сварных швах, вызывающие деформации и разрыв швов.

Быстрый выход на режим и высокая маневренность – благодаря малому водяному объему.

Автоматический режим работы котла - применение современных блочных горелок позволяет обеспечивать эффективное сжигание топлива и автоматическое регулирование заданных температурных режимов.

Большой объем топочной камеры обеспечивает полное выгорание топлива, снижая тем самым потери с химическим и механическим недожогом.

Газоплотное исполнение топки и качественная теплоизоляция снижают потери тепла через стенки агрегата и окружающую среду и исключают присосы холодного воздуха в топку.

Развитая конвективная поверхность нагрева снижает температуру уходящих газов, обеспечивает лучший теплосъем.

Котельный блок

Котельный блок водяного нагревательного промышленного котла КВа 0.8 МВт устанавливается на раму с опорами и имеет каркас с теплоизоляционными материалами, обшитый стальным листом. Фронтовая плита закреплена на котлоагрегате при помощи шарниров и выполняет функцию люка, что позволяет осуществлять доступ в топочную камеру теплоагрегата для осмотра и ремонтных работ без разбора фронтовой обшивки и изоляции.

Топочная камера

КВа котел водогрейный мощностью 0.8 МВт выполнен с топкой в газоплотном исполнении. За счет сокращения потерь теплоты с уходящими газами, газоплотность позволяет повысить КПД котла. Газоплотная топка максимально снижает присосы холодного воздуха, что приводит к увеличению температуры факела и скорости горения, тем самым снижая механический недожег.

В заднем экране топки установлен взрывной клапан, предохраняющий конструкцию котлоагрегата от разрушения при возникновении избыточного давления в топке. Горелка крепится во фронтовой части топочной камеры.

Топка такой конструкции позволяет использовать облегченную теплоизоляцию. Легкая обмуровка снижает массу котла и упрощает обслуживание котлоагрегата.

Конвективные поверхности нагрева

Конвективный пакет представляет собой ряд труб расположенных в шахматном порядке. Шахматное расположение труб позволяет максимально омывать поверхности нагрева, тем самым снижая потерю теплоты и повышая теплоотдачу.

Развитая конвективная поверхность нагрева обеспечивает снижение температуры уходящих газов из котлоагрегата до 200-180 °С. Схема противотока, применяемая в конструкции наших водотрубных котлов, позволяет снизить расход топлива, за счет использования тепла уходящих газов из топочного пространства агрегата, тем самым повышая его КПД.

Коллекторы котла имеют многочисленные перегородки. Они направляют поток теплоносителя, исключая возникновение застойных зон и локальный перегрев поверхностей нагрева. Теплоноситель по трубам агрегата движется с высокой скоростью, образуя множество вихрей для максимального снижения образования накипи. Специальные мероприятия по химводоподготовке не требуются.

Применяемость с горелками

Стальной водонагревательный котел КВа 0,8 МВт работает с длинофакельными блочными отечественными и импортными горелками таких производителей, как EMMA, ILKA, CIB UNIGAS, BALTUR, ECOSTAR, FBR S.R.L. и другими. Наш завод также производит модели котлов для работы на российских горелках БИГ, ГМГ, РМГ, ГГ, РГМГ.

Горелки подают топливо в топочную камеру, где происходит его сжигание и нагрев теплоносителя. Блочная горелка осуществляет сжигание топлива, изменяет режим горения, обеспечивает поддержание в контуре котла температуру воды до 115 °С. Диапазон температуры воды в контуре агрегата задается на пульте управления. При достижении крайних значений автоматически осуществляется включение и выключение горелки. Этот режим обеспечивает надежную и экономичную работу котла.

Принцип работы

Российские жидкотопливные и газовые водогрейные котлы КВа 0,8 МВт - гладкотрубные, движение теплоносителя происходит в сварной трубной системе, состоящей из коллекторов и вваренных в них труб топочных и конвективных панелей. Поступающее через горелочное устройство топливо, сгорает в топочной камере котлоагрегата. Горячие газы омывают трубную поверхность топочной камеры, затем поступают в конвективные пакеты и через канал газохода выбрасываются в дымовую трубу.

Комплектация и монтаж

Котлы горизонтальные водогрейные КВа 0,8 МВт поставляются максимальной заводской готовности - котельный блок, вентили, предохранительные клапаны, дисковые затворы, термометры, манометры, трехходовые краны, паспорт и инструкция по эксплуатации.

Напольный водонагревательный котел КВа 0,8 МВт устанавливаются в промышленной котельной на специально подготовленную ровную поверхность и закрепляются анкерными болтами. Далее подсоединяется по воде, устанавливается запорная арматура на подводящем и отводящем трубопроводе, устанавливаются предохранительные клапаны, дренажи, воздушники и контрольно измерительные приборы. Монтируется газоход. Подключается котельная автоматика и блочная горелка.

Купить котел водогрейный КВа 0.8 МВт

Для того чтобы купить котел КВа 0.8 МВт водогрейный в Бийска вы можете сделать заявку в отдел сбыта по телефону 8-800-700-06-43, либо оформить заявку он-лайн. Инженеры-консультанты дадут консультацию по подбору вспомогательного оборудования для выбранных вами моделей и рассчитают стоимость доставки. Транспортирование котлоагрегата и котельно-вспомогательного оборудования может осуществляться автотранспортом, ж/д полувагонами и речным транспортом.

Цена водогрейного котла КВа 0.8 включает в себя запорную арматуру и КИП в пределах котла, вентилятор поддува и предохранительные клапаны. Ниже приведена подробная информация.

Для эффективной и надежной работы котла КВа 0.8 вам потребуется дополнительное оборудование - автоматика, дымосос, золоуловитель, насос сетевой и подпиточный, газоходы и переходники для газового тракта, дымовая труба. Мы предлагаем рассмотреть типовые варианты комплектации. В случае если у вас на объекте имеется насосное и тягодутьевое оборудование, мы можем проверить совместимость котла КВа 0.8 нашего производства и вашего оборудования. Можем изготовить нестандартные узлы для выполнения быстрого монтажа котла - газоходы и узлы обвязки. Типовую схему монтажа котла вы можете посмотреть во вкладке схемы подключения.

Водогрейный стальной отопительный котел КВа 0.8, предназначен для получения горячей воды номинальной температурой на выходе из котла от 95 до 115 °С рабочим давлением до 0,6 (6,0) МПа (кгс/см), используемой в системах централизованного теплоснабжения на нужды отопления, горячего водоснабжения. Устанавливается в производственных, промышленных и отопительных котельных.

Монтаж и подключение котла КВа 0.8

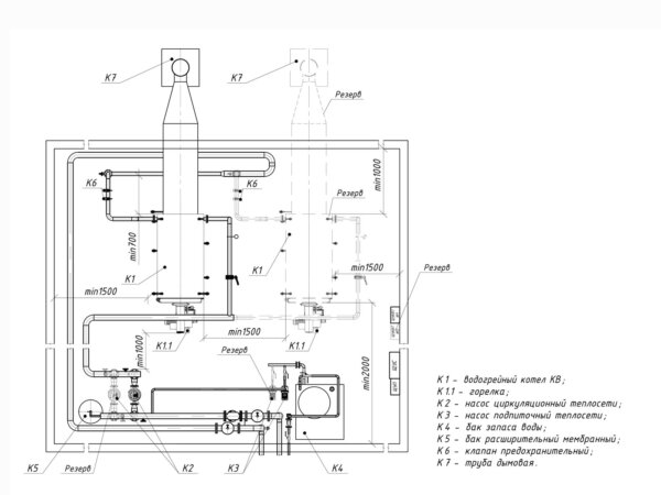
Схема подключения котла на газе КВа

Схема подключения водогрейного котла КВа на газе

Водогрейный котел КВа 0.8 имеет гарантийный срок 24 месяца. Срок работы при соблюдении правил монтажа и эксплуатации оборудования 10 лет.

Водогрейные котлы сертификат
Сертификат на водогрейные котлы
Сертификат на водогрейные котлы на газе и жидком топливе
Сертификат на водогрейные котлы на газе и жидком топливе

Подберите мощность котла для вашего объекта

Тип здания
Регион
Населенный пункт
Наружный объем здания
3)
Отапливаемый подвал
Объем подвала
3)

Отзывы о продукции

Другая похожая продукция

Дизельный котел 0.8 МВт
Котел 0.8 МВт на дизеле
Максимальная тепловая мощность, МВт 0.8
Топливо Дизель, Жидкое
Вид топки Дизельная горелка
Отапливаемая площадь, м² от 6200 до 8900
577 000 ₽
Мазутный котел 0.8 МВт
Котел 0.8 МВт на мазуте
Максимальная тепловая мощность, МВт 0.8
Топливо Мазут, Жидкое, Отработанное масло
Вид топки Мазутная горелка
Отапливаемая площадь, м² от 6200 до 8900
582 000 ₽
КВр котел 0.8 МВт
Котел КВр 0.8
Максимальная тепловая мощность, МВт 0.8
Топливо Твердое, Уголь
Вид топки Ручная, Колосники
Отапливаемая площадь, м² от 6200 до 8900
676 000 ₽
Котел КВм 0.8 ТШПМ
Котел КВм 0.8 с ТШПМ
Максимальная тепловая мощность, МВт 0.8
Топливо Твердое, Уголь
Вид топки ТШПМ, Механическая
Отапливаемая площадь, м² от 6200 до 8900
1 345 000 ₽
Котел КВа-0.6 МВт
Котел КВа 0.6
Максимальная тепловая мощность, МВт 0.6
Топливо Газ
Вид топки Газовая горелка
Отапливаемая площадь, м² от 4700 до 6700
474 000 ₽
Котел КВа-1.0 МВт
Котел КВа 1.0
Максимальная тепловая мощность, МВт 1, 1.0
Топливо Газ
Вид топки Газовая горелка
Отапливаемая площадь, м² от 7700 до 11000
679 000 ₽